| Допустимые токовые нагрузки | ||
| -ток продолжительного режима, А | 10 | |
| -включаемый ток, А | ||
| *переменный, напряжение до 500В | 50 | |
| *постоянный, напряжение 110, 220, 440В | 25 | |
| -отключаемый ток, А | ||
| *переменный, напряжение до 500В | 10 | |
| *постоянный, напряжение 110, 220, 440В | 2,0/1,5/0,5 | |
| Номинальное напряжение переменного тока | 220, 380В | |
| Номинальное напряжение постоянного тока | 110, 220, 440В | |
| Ном. напряжение изоляции, Ui | 660В | |
| Эксплуатационная частота включений | до 600 в час | |
| Максимальный угол наклона рычага | 30 градусов | |
| Угол несрабатывания, менее или равно | 3 градуса | |
| Количество независимых электрических цепей | 2 | |
| Класификация привода | ||
| -число рабочих положений | 2 | |
| -тип привода | рычаг с грузом | |
| -фиксация | в крайних положениях | |
| -максимальная скорость привода м/мин | 150,00 | |
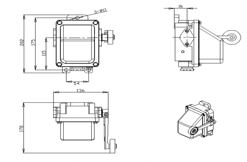
| Масса выключателя, кг | 8,9 | |
| Степень защиты | IP44 | |
| Износостойкость механическая | 1 000 000 В-О | |
| Температура окружающей среды | от минус 40 до плюс 40?С | |
| Климатическое исполнение | У2 | |
| Гарантийный срок | 2 года | |
Работа концевого выключателя КУ-700
Все выключатели унифицированы и отличаются только приводом. Выключатель состоит из корпуса и крышки, выполненных литыми из алюминиевого сплава, кулачкового барабана с кулачковыми шайбами и фиксирующего механизма (кроме выключателя КУ-703А).
В выключателях КУ-701храповик под действием пружины фиксирует рычаг или педали в нулевом положении. При повороте кулачкового барабана кулачковые шайбы включают или выключают кулачковые элементы согласно схемам, приведенным на габаритных чертежах. Поворот барабана осуществляется при помощи рычага выключателя КУ-701А. Выключатели имеют степень защиты IР41 ГОСТ 14255—69 при условии, что отверстие для ввода проводов закрыто.
Размещение и монтаж концевых выключателей КУ-700
Концевые выключатели КУ-700А могут быть установлены в любом положении. При установке выключателя КУ-703А проверьте надежность упора рычага и предусмотрите площадку для груза на полиспасте.
Рычаг на выключателях КУ-700А устанавливается в различных положениях относительно корпуса. Для перестановки рычага на 90° по часовой стрелке относительно вала снимите рычаг, поверните его на 90° по часовой стрелке, не поворачивая вала, и закрепите на валу.
Для получения нужной схемы замыкания производите переборку выключателя в следующем порядке: извлеките барабан из корпуса, отверните гайку барабана, снимите кулачковые шайбы с вала и расположите их на валу согласно выбранной схеме, затем соберите выключатель.

